高温样品座
产品描述:
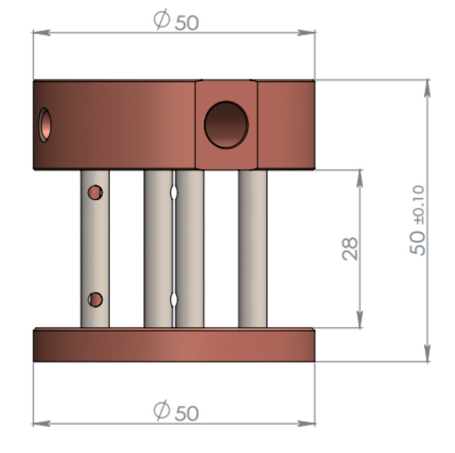
温度高稳定性样品座主要材质为无氧铜,不锈钢做支撑结构,以钎焊工艺连接。使用温度高温不低于800K,低温能低于4K以下。在高温下有良好的绝热能力,大大减弱因为热传导引起的对其他结构的热破坏。低温下也有良好的导热能力,但是会损失一部分冷量。因其绝热能力能降低冷热的波动,样品座温度稳定性很高。
特点介绍:
■ 在高温下有良好的绝热能力
■ 大大减弱因为热传导引起的对其他结构的热破坏。
■ 温度稳定性高
产品参数:
| 型号 | HTSH-H1 | HTSH-H2 |
| 适用于恒温器型号 | 各种液氮液氦低温恒温器、闭循环低温恒温器 | |
| 适用最高温度 | 500K | 800K |
| 材料及工艺 | 无氧铜+不锈钢 | |
| 主要功能 | 减弱热传导,保护非高温部分结构 | |
| 温度稳定性 | ≤10mK | |

本文标签:



